과전류계전기는 변류기(CT)의 2차측에 접속되어 전류가 계전기 의 정정전류치를 초과할 때 동작하는 계전기이다.
이 계전기는 보호방식이 간단하고 단락 및 과부하 보호용으로 많 이 사용하고 있는데 트립회로가 어떻게 구성되느냐에 따라 상시 개로형과 상시폐로형으로 나누어진다.
즉, 계전기의 주 코일회로와 트립회로가 전기적으로 분리되어 있 는것을 상시개로형이라 하고 접점이에 의해서 주 코일과 트립회 로가 전기적으로 접촉되는 것을 상시폐로형이라 하며 대부분 고 압에서는 상시개로형을 사용한다.
가. 상시개로형 과전류계전기
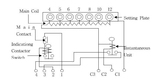
그림은 상시개로형 계전기의 내부접속도이고 그림 2-2는 이 것을 간략하게 동작회로만 나타낸 것이다.
![]() |
| 유도형과전류계전기 내부 접속도 |
![]() |
| 과전류계전기 전개도 |
① Setting Plate : 전류정정탭
② Main Coil : 주 Coil로서 유도원판의 회전력을 발생시켜 주는 부분
③ Main Contact : 원판축에 달린 주접점
④ Indicating Contact Switch : 동작표시기와 접점이 달린 스 위치로서 동작시 타켓트가 나타나 한시동작을 표시하며 주 접점과 병렬로 구성되어 주접점을 보호한다.
⑤ Instantaneous Unit : 순시요소에 동작하는 프란자형 계전기 로서 고속동작을 하며 동작시 타켓트가 나타나도록 되어 있다.
⑥ C1, C2, C3 : 전류입력단자로서 CT 2차측에 연결되며 단락 및 과부하 전류검출시에는 C1, C2단자를 이용한다.
⑦ 1, 2단자 : 한시동작시 출력접점으로 차단기 Trip회로와 연 결되어 차단기를 트립시킨다.
⑧ 3, 4단자 : 순시동작시 출력접점으로 차단기 Trip회로와 연 결되어 차단기를 트립시킨다.
나. 상시폐로형 과전류계전기
이 계전기는 상기개로형과는 달리 트립전류회로에 직류전원 대 신 변류기(CT) 2차전류를 그대로 이용한 계전기이다.
![]() |
| 상시폐로형 과전류계전기 내부전개도 |
다. 과전류계전기의 결선
상시개로형과 상시폐로형 과전류계전기에 대해서 알아보면 다음 과 같다.
(1) 상시개로형 과전류계전기
그림은 상시개로형 과전류계전기 3대와 OCGR 1대를 사용 한 고압 배전선로 R, S, T상의 과전류 감지 및 접지를 검출하 는 결선도이다.
![]() |
| 상시개로형 과전류계전기의 결선 |
① 트립회로의 전원은 직류를 사용한다.
② TC는 트립코일
③ S는 차단기가 투입하면 폐로하는 차단기 자체의 보조접점
④ 그림의 연결과 같이 DC전원 (+)를 OCR에 연결하고, (-)를 트립코일에 연결한다.
⑤ CT의 2차회로를 과전류계전기의 C, CC단자에 접속한다.
⑥ T, TT단자는 차단기 조작회로와 접속한다.
(2) 상시폐로형 계전기
이 방식은 앞에서 설명한 바와 같이 트립용 전원을 별도로 공 급하지 않고 변류기 2차 전류로서 트립동작을 실시하고 있다. 즉, 평상시에는 C단자와 T단자가 개로되어 있으나 계전기에 흐 르는 전류가 정정치를 초과하면 회로 C단자, T단자간이 폐로하 므로 CT2차 전류는 트립코일 쪽으로 흘러 차단기를 트립시키 게 된다.
![]() |
| 상시폐로형 과전류계전기 결선 |
라. 과전류계전기의 특성
(1) 반한시 정한시 특성
계전기 동작코일에 흐르는 전류가 증가함에 따라 동작시간이 반비례적으로 짧아지는 특성을 가진 것으로 정정시에는 계전기 의 동작시간 특성곡선을 파악해 두어야 한다.
동작시간 특성은 계전기의 전류탭 및 타임레버를 바꿈에 의해 서 변화한다. 즉, 계전기의 입력탭을 일정하게 하고 레버의 위 치를 변화하면 그 동작시간이 바뀌고 또한 레버를 일정하게 하 고 탭의 값을 바꾼 경우에도 정정한 탭에 대한 계전기 입력의 배수가 바뀌기 때문에 동작시간이 달라진다.
![]() |
| 반한시 정한시 특성곡선 |
그림 ①은 반한시 정한시 특성곡선인데 탭값을 바꾸면 곡선은 좌우로 움직이고 레버를 바꾸면 곡선은 상하로 움직인다.
(2) 정한시 특성
계전기 동작코일에 유입하는 전류가 정정치 이상이면 그 입력 전류의 크기가 변화 하더라도 대략 일정한 시간으로 동작하는
것으로서 일반적으로는 “고속도형”이라고 한다.
(3) 순시요소부 반한시 특성
이것은 계전기 입력이 일정치 이하인 범위에서는 반한시 특성 을 초과하면 고속도 동작을 하는 것이다.
순시요소에 의하여 단락보호를 반한시, 정한시 특성에 의해서 과부하 보호 혹은 후비보호에 사용된다.
![]() |
| 순시요소부 반한시 특성곡선 |
(4) 강반한시 특성
보통 과전류계전기 동작특성은 입력량의 증가에 따라 동작시간 이 짧아지는 것을 동작시간특성이라 하며 정한시, 반한시, 강반 한시, 초반한시로 분류한다. 강반한시 및 초반한시 특성은 반한 시 특성보다 강한 것을 말하며, 대부분 강반한시 특성을 가진 과전류계전기를 많이 사용하고 있다.
동작시간특성
| 구 분 | T3 / T5 | T10 / T5 |
| 정한시 | 1.0이상 ~ 1.2미만 | 1.0이하 ~ 0.8이상 |
| 반한시 | 1.2이상 ~ 1.8미만 | 0.9이하 ~ 0.6이상 |
| 강반한시 | 1.8이상 ~ 2.6미만 | 0.7이하 ~ 0.4이상 |
| 초반한시 | 2.6이상 ~ 4.0미만 | 0.5이하 ~ 0.2이상 |
* T3, T5, T10은 각각 공칭동작치의 300%, 500%, 1000%의 전 류가 통과했을 때의 동작시간을 나타낸다.
(5) 과전류계전기의 동작시간 계산
과전류계전기의 동작시간은 탭과 레바에 따라 동작시간이 달라 지며 정격부하 및 부하변동이 심한 전기설비등을 감안 CT비를 적절히 선택하고 탭과 레바를 조정 최대한 사고확대를 방지하 고 상하 보호협조가 잘 이루어지도록 설정해야 한다.
예를들어 지하철 고압배전반에 다음과 같은 사고전류가 흘렀다 면 OCR의 한시특성곡선을 보고 몇 초안에 동작하는가를 알아 보자
![]() |
| OCR 결선 및 특성곡선 |
① R상 OCR에 흐르는 전류를 계산해 보면 IR = 385 × 5/500 = 3.85(A)
전류탭이 4이므로(3.85÷4) OCR 설정전류는 96%이다.
따라서, 특성곡선에서 보면 R상 OCR은 동작하지 않는다.
② S상 OCR에 흐르는 전류를 계산해 보면 IS = 1248 × 5/500 = 12.48(A)
전류탭이 4이므로(12.48÷4) OCR 설정전류는 312%이다.
따라서, 특성곡선에서 보면 S상 OCR은 4초에 동작하게 된다.
여기에서 레바를 2로 설정하였기 때문에 동작시간(t) = 4×(2÷10) =0.8초에 동작한다.
③ T상 OCR에 흐르는 전류를 계산해 보면 IT = 650 × 5/500 = 6.5(A)
전류탭이 4이므로(6.5÷4) OCR 설정전류는 163%이다.
따라서, 특성곡선에서 보면 S상 OCR은 6.8초에 동작하게 된다.
여기에서 레바를 2로 설정하였기 때문에 동작시간(t) = 6.8×(2÷10) =1.36초에 동작한다.
이상과 같은 계산으로 OCR이 동작하지만 동작시간과 실제로 단락전류가 흘렀을 때 동작시간과는 일치하지 않는 경우가 있 다. 이것은 OCR의 오차, CT의 오차, 단락시의 과도현상에 의 한 파형상의 문제가 있기 때문에 설계시 신중을 기해야 하며, 3개의 OCR중 한 개가 먼저 동작하여 차단기를 트립시키기 때 문에 다른 OCR은 동작하지 않을 수 도 있다.
(6) 과전류계전기의 정정
과전류계전기는 전류가 예정값 이상이 되었을 때 동작하도록 계전기를 정정하여야 한다.
예를들어 다음과 같은 경우를 검토해보면
![]() |
| 과전류계전기의 정정 |
그림 과 같이 부하가 있을 경우 부하전류는 전부하시 60A 라고 가정해보면 계전기에 70A나 되는 전류를 흘리수 없기 때 문에 변류기 CT를 사용하여 2차에 계전기를 연결한다.
CT의 정격 1차 전류는 전부하 전류값보다 보통 1.25 ~ 1.5배 크게 선정하는 것이 바람직하다. 그러므로 여기서는 CT비를 100/5A를 사용했기 때문에 전부하 70A때의 CT 2차 전류는
CT 2차전류 = 70 × (5÷100) = 3.5A가 흐른다.
즉, 3.5A보다 전류가 증가하는 것은 사고의 발생이라 생각할 수 있다. 따라서 과전류계전기의 탭은 보통 4, 5, 6, 7, 8, 10, 12 인 것을 사용하기 때문에 4A를 설정할 경우 전부하전류의 114%이고, 5A를 설정할 경우 전부하전류의 143%에 상당한다.
그러므로 부하의 성격에 따라 모터부하인 경우 기동전류나 전 원의 전압변동 CT 및 계전기의 오차를 고려하여 전부하전류의 114%는 불안정하므로 5A탭에 정정함이 바람직하다.
보통 OCR의 한시형요소의 정정탭 범위는 4 ~ 12A 정도이고 순시요소의 정정범위는 20 ~ 80A 정도이다.
지락보호용 OCGR은 한시형정정탭이 0.5 ~ 2.0이고 순시정정 은 10 ~ 40A 정도이다.
탭은 보호해야 할 기기나 선로의 단시간 과부하 용량인 정격의 150 ~ 160% 정도에 동작하도록 하고 보호구간 말단의 최소고 장전류에서도 동작할 수 있도록 하는 것이 기본이다.
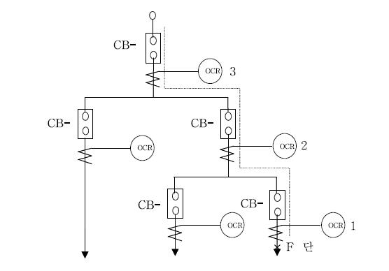
(7) 한시차 계전방식
그림 2-11과 같은 회로에서 계전기를 전원부분에만 설치했다면 CB-3 차단기를 트립시키므로 모든 설비가 정전된다.
그러나 그림과 같이 선로중간에 몇 개의 차단기를 설치하고 각 과전류 계전기를 사용하면 정전범위를 최소한 줄일 수 있다. 이를 한시차 계전방식이라 한다.
![]() |
| 한시차 계전방식 |
그림의 F점에서 단락사고가 발생하면 가장 가까운 점의 차 단기 CB-1을 차단하도록 계전기 1의 동작시간을 짧은 값으로 정정해두어야 한다.
단락전류는 그림에서 점선으로 표시된 회로의 임피던스에 의해 서 정해지고 같은 크기의 전류가 계전기 1, 2, 3에 흐르게 된다.
전류탭을 모두 같게하거나 또는 전원측을 약간 크게하여 타임 레버차를 두면 전원측을 가장 길게하고 고장점에 가까울수록 짧게 정정하면 된다.
이와 같이 전원에서 방사식으로 공급하고 있을때는 동작시간의 차가 생겨 사고구간을 선택차단하는 계전방식을 한시차 선택계 전방식이라 한다. 사고가 발생하면 점선의 OCR는 동시에 동작 하나 계전기 1이 먼저 CB-1을 차단하기 때문에 계전기 2, 3은 원판이 회전하고 있어도 도중에서 멈추게되어 차단기 2, 3은 트립되지 않는다. 그러나 원판이 회전하는 관성의 시간차를 적 절히 취해두지 않으면 불필요하게 차단해 버린다. 이것을 시리 즈 트립(Series Trip)이라 한다.
Series Trip을 피하기 위해서는 차단기의 특성과 계전기 특성 의 연관성을 고려 차단시간을 약 0.1초로 보면 되지만 계전기 의 관성은 그 구조에 따라 다르다.
소세력의 감속치 차를 사용해서 토크를 증대하고 있는 것은 통 전시간보다 지나치게 원판이 회전하는 수가 있다. 치차를 사용 하지 않는 것에서는 0.1초 정도이지만 치차가 붙은 것에서는 0.5초까지 이른다. 따라서 보통 계전기에서는 트립타임과 맞추 어서 여유를 0.1초로 보고 0.4초의 차이를 두면 된다.
'전기,철도 기술자료 > 전기이론' 카테고리의 다른 글
| 역류계전기(Return Current Fault Relay) (0) | 2025.10.31 |
|---|---|
| 부족전압계전기(UVR : Under Voltage Relay) (0) | 2025.10.30 |
| 보호계전기 (0) | 2025.10.30 |
| 피뢰설비 (0) | 2025.10.29 |
| 전기실 전원 공급방식 (0) | 2025.10.29 |










