1. 개요 및 특성
전자릴레이란 전자력에 의해 접점을 개폐하는 기능을 가진 장치이며 유접점 시퀀스제어에 사용되는 기구의 중추가 된다. 전자릴레이는 그 전자 코일에 전류가 흐르면 고정 철심이 전자석이 되어 가동철편을 흡 인하여 이것에 연동되어 가동접점이 이동, 고정접점과 접촉되거나 또 는 떨어짐으로서 회로의 개폐를 행한다. 또 전자코일의 전류를 끊으면 고정철심이 자력을 잃게 되므로 복귀용수철의 힘에 의해 원래 상태로 복귀한다. 전자릴레이는 입력신호로 부여되는 정보를 기본으로 하여 새로운 출력신호를 만드는 신호, 정보를 중계하는 요소라 할 수 있다.
(1) 신호의 증폭장치
신호 증폭작용은 전자릴레이의 대표적인 기능이다. 소용량의 신호에 너지에 따라 부세 동작되는 코일에 의하여 대용량의 접점을 개폐하여 대전류를 제어할 수 있다.
(2) 조건의 반전작용
회로에서 보는바와 같이 신호가 입력되면 릴레이 X가 여자되어 출력 신호는 차단되게 된다. 또한 신호가 개로하고 있을 때에는 b접점 X 가 개로하므로 입력신호 조건과 반대의 출력신호를 내게 되어 신호조건 반전의 역할을 하게 된다.
![]() |
(3) 신호회로의 증폭
이것은 다수의 출력접점을 갖는 릴레이를 사용하여 하나의 신호에 의해 전자릴레이가 부세 동작될때 다수의 a접점이 폐로되어 다수의 회로로 증폭된다. 이와 같이 입력신호를 임의의 다수 출력신호로 변 환 하는 기능을 신호회로의 증폭 기능이라고 한다.
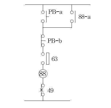
(4) 논리 판단 기능
전자릴레이 코일의 입력신호에 둘이상의 접점을 조합시켜 접속하면 각 접점의 개폐 조합에 의해 조건 판단을 한 결과에 의해 동작하게 된다. 예를 들면 그림에서 88릴레이에 조작 조건으로 63의 a접점을 직렬로 접속함으로서 압력이 규정치 이상일 때와 열동계전기 49의 b 접점을 직렬로 접속함으로서 과부하일 떄를 판단 푸시버튼 스위치에 의해 88릴레이가 부세되거나 소세되도록 동작을 논리적으로 판단하 여 출력신호를 내는 기능인 논리 판단 기능을 갖는다.
![]() |
2. 정격
(1) 조작코일의 정격
(가) 정격전압 : 조작 입력의 기준이 되는 전압.
(나) 동작전압 : 복귀 상태의 릴레이 코일에 입력을 가해 서서히 증 가 시켰을 때 릴레이가 동작하는 전압.
(다) 복귀전압 : 동작 상태의 릴레이 코일의 정격전압 입력을 서서히 감소 시켰을 때 릴레이가 복귀하는 전압.
(라) 최대허용전압 : 릴레이 코일의 조작전원의 전압허용 변동범위의 최대치.
(마) 정격소비전력 : 코일에 정격전압을 가할 떄 코일로서 소비된 전 력(정격전압×정격전류)의 값으로 표시된다. 교류의 경우는
주파수 60㎐때의 값.
(2) 개폐부(접점부)의 정격
(가) 정격부하 : 개폐부(접점)의 성능을 정하는 기준이 되는 값으로 접점전압과 접점전류의 조합으로 나타낸다.
(나) 정격통전전류 : 접점을 개폐함이 없이 온도상승 한도를 넘지 않 고 연속하여 접점에 통전 가능한 전류치.
(다) 접점전압 : 개폐부의 성능을 정하는 기준이 되는 전압이다.
사용시에는 접점전압이 최대치를 넘지 않도록 주의하여야 한다.
(라) 접점전류 : 개폐부의 성능을 정하는 기준이 되는 전류로서 이 값은 정격통전전류를 넘지 않는다. 사용시에는 접점전류의 최대 치를 넘지 않도록 주의하여야 한다.
(마) 개폐용량의 최대치 : 실용상 지장 없이 개폐 가능한 부하용량의 최대치.
3. (전자)계전기의 종류
(1) 보조계전기(제어 릴레이, auxiliary relay)
(용량이 작고 많은 접점을 이용한 계전기)
계전기는 푸시버튼과는 달리 사람의 손으로 동작되는 것이 아니라 계전기 내의 전자석에 의해 동작되며, 전자석 코일에 전류가 흐르는 동안에만 접점이 동작하는 스위치의 일종으로 코일부와 접점부로 나 누어지고 기호로 나타낼 경우에도 코일부와 접점부로 나누어 표시한 다. 접점은 a접점과 b접점이 공유하고 있는 접점을 주로 사용하며 이 를 c접점이라 한다. c접점은 a접점, b접점을 동시에 사용할 수도 있 고 별도로 한 접점만 사용할 수도 있다. 특히 c접점에서 a접점, b접 점을 동시에 사용할 경우에 c접점(공통접점)으로 인하여 회로가 단 락되는 경우가 있으니 반드시 공통접점부가 회로에서 공통으로 사용 되고 있는지 확인하고 사용하여야 한다.
제어용 릴레이의 사용 시는 조작 전원의 정격, 필요한 접점의 수, 제 어 전원의 용량 등을 고려하여 특성에 맞게 선택하여야 한다.
(2) 한시계전기(타이머)
(시간 지연회로가 첨부된 계전기)
한시계전기는 입력신호를 받아 설정된 시간이 경과한 후 동작이 되 는 일종의 계전기이다. 시간을 계산할 때에는 소형의 전동기를 사용 하는 방법과 전자회로를 사용하는 방법이 있는데 주파수의 영향을 받 는 경우가 있으므로 이를 고려해야 한다. 우리나라의 경우에는 교류 전압의 상용주파수가 60[Hz]이므로 50/60[Hz]의 기구에서는
60[Hz]로 조정하여 사용한다. 접점 등은 계전기와 같지만 접점의 동 작을 시간을 두고 동작시킬 수 있다는 것이 가장 큰 차이점이다.
접점의 동작은 한시동작접점과 한시복귀접점이 있다. 한시동작접점은 동작하는데 시간이 걸리는 접점으로, 타이머 기동 후 설정된 시간이 지나서 접점이 동작한다. 한시복귀접점은 복귀하는데 시간이 걸리는 접점으로, 타이머 기동과 동시에 접점이 동작하고 설정된 시간이 지 난 후에 원래의 위치로 복귀되는 접점이다. 대부분 한시 a접점과 한 시 b접점은 한 쪽을 공통(c접점)으로 하여 사용되게 만들어져 있다.
(3) 전자접촉기(MC)
(용량이 큰 전력회로의 제어용 접점을 이용한 계전기)
전자접촉기는 전자석의 동작에 의해 접점을 개폐하는 기구로서, 전 동기 등의 동력부하에는 필수적으로 사용되고 있다. 동작은 계전기와 같고, 접점은 주접점과 보조접점으로 나뉘어 있어 주접점은 부하의 전원을 개폐하며 보조접점은 계전기와 동일하게 제어회로에 사용된 다.
(4) 전자개폐기(MS)
전자개폐기는 전자접촉기와 과부하계전기가 일체화 된 것으로, 전자 접촉기에 의한 부하의 ON, OFF 조작과 열동계전기에 의한 과부하 보호 기능을 함께 갖는 기구이다.
(5) 과부하계전기(THR, thermal relay)
과부하계전기는 열동계전기 또는 서멀릴레이라고도 하며 주로 과부하 보호에 사용된다. 정격 전류 이상의 전류(과부하 전류) 가 흐르면 내부에서 발생된 열에 의해 바이메탈이 동작하여 접 점이 차단되고 전자접촉기의 회로를 차단하여 부하와 전선의 과열을 방지하는데 사용한다.
(6) 압력스위치
압력스위치(pressure switch)는 명칭과 같이 일정한 압력에 이르면 스위치가 ON/OFF되는 것이다.
저압인 것은 다이어프램의 신축을 이용하고 유압, 수압과 같이 고압 인 것은 부르동관(Bourdon tube)의 신축을 이용하여 스위칭(switch ing)동작을 하게 하는 것이다.
(7) 유지형 계전기와 스테핑 계전기
유지형 계전기는 입력 신호의 변화에 의해서 출력신호를 개폐하는 계전기이다. 즉 계전기의 변화 신호로써 상태 신호를 변환하는 기능 을 갖는다. 이 계전기는 한쪽 접점이 동작되고 여자전류가 없어도 이 상태는 계속 유지된다. 이때 반대쪽 코일에 전류를 가하면 본래의 상 태로 복귀된다. 이러한 유지형 계전기는 여자 전류가 흐르는 기간이 짧고 소비전력 및 발열이 적으며 특히 출력 접점의 개폐 상태가 정지 되었을 경우 그대로 유지되는 것이 특징이다. 이러한 유지형 계전기 는 대형전자접촉기나 차단기 등의 제어용으로 사용된다.
스테핑계전기는 다수회로의 순차 절환스위치로서 펄스의 계수 축적과 재송출 임의회로의 자동 선택 등 그 용도는 매우 다양하다. 코일이 여자될 때마다 도그를 이용한 가동접점이 움직여 다음 접점으로 차례 로 절환된다.
(8) 배선용차단기(MCCB)
배선용 차단기는 손잡이를 ON, OFF 시킴으로써 단자 부에 배선된 전기회로를 개폐할 수 있으며, 단락보호와 과부하 보호의 목적으로 사용된다. 단락이나 과부하 시 자동적으로 트립(trip)되어 회로를 자 동으로 차단하며 트립의 원인을 제거한 후 다시 손잡이를 올리면 정 상동작을 한다. 트립 되는 것은 바이메탈의 원리를 이용한 것으로 과 전류에 의해 발생된 열에 의해 동작한다.
단락이란 배선된 회로에 어떠한 도체가 접촉하여 정상적인 전류보다 수십 배 이상의 많은 전류가 흐르게 되는 상태를 말하고, 과부하란 회로에 정격을 초과하여 전류가 지속적으로 흘러 전선 등이 과열될 수 있는 상황으로 화재의 원인이 된다.
4. 시퀀스도의 표시 방법
복잡한 제어회로가 많이 사용될 경우 그 제어방법이나 동작순서를 알 기 쉽게 나타낸 접속도가 필요하다. 그러기 위해 각 기기의 구조적 관 련을 생각하고 그 기기에 속한 제어회로를 각각 단독으로 꺼내어 동작 순서를 배열하고 기기의 각 떨어진 부분이 어느 기기에 속하여 있는지 를 기호에 의해 표시한다.
5. 시퀀스도의 표시 원칙
가. 시퀀스 제어모선은 일일이 상세히 표시하지 않고 전원 도선으로 그림의 상하에 횡선으로 표시 하던가 또는 좌우 종선으로 표기한 다.
나. 시퀀스도에서 제어기기를 잇는 접속선을 상하의 제어모선 사이에 횡선으로 표시한다.
다. 시퀀스도에서 접속선은 동작 순서로 좌에서 우로, 또는 상에서 하 의 순서로 그린다.
라. 시퀀스도에서 개폐접점을 가진 제어기기는 그 기구부분이나 지지 보호분 등을 생략하고 접점, 코일 등으로 표현하며 각 접속선으로 분리하여 표시한다.
마. 시퀀스도에서 제어기기가 흩어져 있는 부분에는 제어기기명을 표 시하는 문자기호, 즉 시퀀스 제어기호. 또는 자동제어기구번호를 첨기하여 그 소속과 관련을 분명히 한다.
바. 개폐접점을 갖는 기기를 시퀀스도에 표시하는 경우의 심볼 표시는 전기기계기구 또는 전기회로가 다음과 같은 상태를 표시한다.
(1) 전원은 전부 끊어진 상태
(2) 제어하여야 할 기기 또는 전기 회로가 휴지 상태일 때
'전기,철도 기술자료 > 전기이론' 카테고리의 다른 글
| 시퀀스 제어의 논리회로 (0) | 2025.11.05 |
|---|---|
| 시퀀스 회로의 해설 (0) | 2025.11.05 |
| 자동제어 (1) | 2025.11.05 |
| 접점의 표시와 동작 (0) | 2025.11.05 |
| 자동제어 기구번호 (0) | 2025.11.05 |


