1. 진상용 콘덴서의 시설방식
(1) 특별고압 및 고압 수전설비의 수전단 역률 개선을 위해 진상용 콘덴서를 설치하는 경우는 다음에 의한다.
① 개선후의 역률은 95%를 표준으로 한다.
② 진상용 콘덴서의 설치위치는 부하상황, 역률 개선효과, 경제성 등을 고려하고 표에 의해 선정한다.
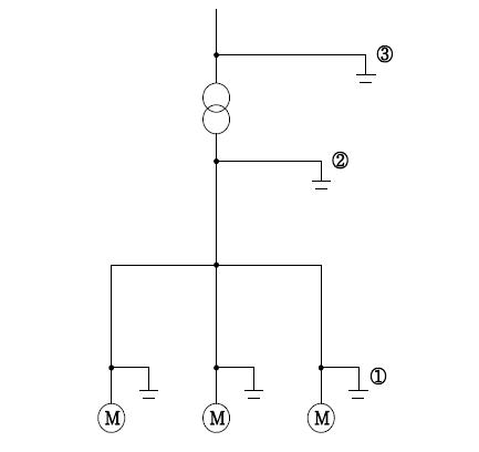
진상용 콘덴서 시설
| 설비위치 | 효과가 큰 경우 | 설 비 효 과 | |||
| ① | 저압측 부하 개별 | 대용량ㆍ첨두전력 부하가 있고, 제어기기가 접속되 어 있는 경우 |
기본요금 할 인 |
변압기의 여유 과부하 방지 동 손 방지 |
선로전류, 전력손실경감 전 압 강 하 (변동)감소 |
| ② | 변압기2차측 일괄 | 부하를 증설에 대해 변압 기에 여유가 없는 경우 |
|||
| ③ | 고압측 일괄 | 설비에 대한 가동률이 낮 고 수전역률이 낮은 경우 |
|||
콘덴서 설치위치

(2) 콘덴서의 용량은 부하의 무효분보다 크게 하여서는 안 된다.
(3) 저압수전의 경우 진상용 콘덴서는 각각의 부하에 설치하는 것을 원칙으로 한다.
(4) 진상용 콘덴서의 결선은 △결선으로 한다.
2. 진상용 콘덴서
(1) 특별고압 및 고압 진상용 콘덴서를 설치하는 경우는 다음에 의한다.
① 콘덴서는 그 총용량이 300kVA를 초과하는 경우는 2군 이상으로, 600kVA 초과 시 3군 이상으로 분할하고, 또한 부하의 변동에 적응하여 접속하는 콘덴서의 용량을 변화시킬 수 있는 시설로 한다. 단 부하의 성질상 접속하는 콘덴서의 용량을 변화 시킬 필요가 없는 경우는 분할하지 않아도 된다.
② 콘덴서 회로에 개폐장치를 설치하는 경우는 다음 적용구분에 따라 시설한다.
③ 배전선로의 리액터 설치 시 특고케이블의 콘덴서 적용용량의 85∼95%를 상쇄 시 콘덴서를 설치하지 않는다.
콘덴서 용량
| 콘덴서 용량[㎸A] | 개폐장치 |
| 50 이하 | 고압 COS 또는 이와 동등 이상의 것 |
| 50 초과 | 부하개폐기 또는 이와 동등 이상의 것 |
④ 콘덴서는 본선에 직접 접속하고 특히 전용의 개폐기, 퓨즈, 유입차단기 등을 설치하지 말 것. 이 경우 콘덴서에 이르는 분기선은 본선의 최고 굵기보다는 적게 하지 말 것. 다만, 방전장치가 있는 콘덴서에는 개폐기(차단기 포함)를 설치할 수 있으나 평상시 개폐는 하지 않음을 원칙으로 한다.
⑤ 콘덴서 회로에는 콘덴서 보호에 적합한 한류퓨즈를 시설한다. 다만, 콘덴서의 고장을 초기에 검출하여 콘덴서에 의한 2차 재해를 방지하도록 시설하는 경우에는 그러하지 아니하다.
⑥ 콘덴서 회로에는 방전저항ㆍ방전코일 또는 기타 개로 후에 잔류전하를 방전시키는 적당한 장치를 다음 각 호에 의하여 시설한다.
가. 방전장치는 콘덴서 회로에 직접 접속하거나 또는 콘덴서 회로를 개로한 경우 자동적으로 접속할 수 있게 시설하고, 또한 개로 후 방전저항의 경우에는 5분 이내에, 방전코일 기타의 경우에는 5초 이내에 콘덴서의 잔류전압을 50V 이하로 저하시키는 능력을 가진 것으로 한다.
나. 다음 각목의 경우에는 방전장치를 생략할 수 있다.
(가) 콘덴서가 조작개폐기로부터 부하 측에 직접 접속되어 있는 경우
(나) 콘덴서가 변압기 1차 측에 직접 접속되어 있는 경우
(다) 콘덴서를 설치함으로서 공급 회로의 고조파전류가 현저히 증대하거나 또는 돌입전류가 현저히 커서 유해한 경우에는 콘덴서 회로에 유효한 직렬리액터를 시설한다.
(라) 콘덴서의 외함은 통합접지와 연결한다. 다만, 통합접지와 연결이 곤란한 개소는 단독접지 한다.
(2) 설치장소
① 저압진상용 콘덴서를 옥내에 시설하는 경우에는 습기가 많은 장소 또는 물기가 있는 장소(방수형의 것을 사용하는 경우에는 제외한다) 및 주위온도가 40[℃]를 초과하는 장소 등을 피하여 견고하게 설치하여야 한다.
② 저압진상용 콘덴서를 옥외에 시설하는 경우에는 옥외형 콘덴서를 사용하여야 한다.
다만, 방수구조의 함에 넣고 다음 각 호에 의하여 시설하는 경우에는 옥내형의 것을 사용할 수 있다.
가. 함은 외상을 받지 아니하는 장소를 선정하여 견고하게 설치할 것
나. 함은 견고하고 점검이 쉬운 것으로 하고 강판제의 것은 방청도료를 칠할 것
다. 전선인입구는 빗물이 스며들어가지 아니하게 하기 위하여 함의 하부 등에 설치할 것
(주) 전용의 개폐기는 가급적 동일 함 속에 넣을 것
3. 저압 진상용 콘덴서
(1) 저압 진상용 콘덴서를 개개의 부하에 시설하는 경우에는 다음 각 호에 의한다.
① 콘덴서는 현장조작개폐기 또는 이에 상당하는 것의 부하 측에 시설한다.
② 간선으로부터 분기하여 콘덴서에 이르는 전로에는 개폐기 등을 시설하지 아니한다.
(2) 저압 진상용 콘덴서를 변압기 2차 측에 일괄하며 시설하는 경우에는 다음 각 호에 의한다.
① 부하 변동이 있는 경우에는 콘덴서의 용량을 부하의 변동에 따라 변화될 수 있도록 시설한다.
② 콘덴서에 개폐기를 설비하는 경우에는 콘덴서 전용의 개폐기로 한다.
(3) 콘덴서의 회로에는 방전저항ㆍ방전코일 또는 기타 개로 후의 잔류전하를 방전시키는 장치를 다음 각 호에 의하여 시설한다.
① 방전장치는 콘덴서 회로에 직접 접속하거나 또는 콘덴서 회로를 개로한 경우 자동적으로 접속할 수 있게 시설하고, 개로 후 3분 이내에 콘덴서의 잔류전압을 75V 이하로 저하시킬 수 있는 것으로 한다.
② 다음 각목의 경우는 방전장치를 생략할 수 있다.
가. 콘덴서가 현장조작개폐기로부터 부하 측에 직접 접속되고 또한 부하 기기의 내부에 개폐기류를 갖추지 아니하는 경우
나. 콘덴서가 변압기의 2차 측에 직접 접속되어 있는 경우
출처-국가철도공단KRE-04010
'전기,철도 기술자료 > 전기철도' 카테고리의 다른 글
| 지락차단장치 (0) | 2025.09.10 |
|---|---|
| 분로리액터 (0) | 2025.09.10 |
| 과전류차단기 (0) | 2025.09.09 |
| 고압 및 특별고압용 개폐기 (1) | 2025.09.09 |
| 변압기 (0) | 2025.09.09 |
