전기설비의 신설, 증설을 마치면 다음과 같은 시험을 하게 된다.
① 접지저항측정 ② 절연측정
③ 절연내력시험 ④ 보호계전기시험
⑤ 시퀀스 인터록시험 ⑥ 수전시험
⑦ 무부하시험 ⑧ 부하시험
이와 같은 순서로 현지시험 과정에서 계기용변성기와 관련된 시 험은 중요한 역할을 차지하므로 그 절차와 점검방법 등을 정확히
알아야 할 것이다.
가. 점검 및 시험
(1) 목시점검
ㅇ 설치상태
ㅇ 1차측 접속과 단자(조임상태/단자기호)
ㅇ 2차측 배선과 단자(조임상태/단자기호)
ㅇ 변압비 / 변류비
ㅇ 철심 및 2차 전로 접지공사
ㅇ 1차 - 2차간 또는 3차간
(2) 절연측정 : 장착전 절연내력 시험 전후에 실시
ㅇ 1차 - 대지간
ㅇ 2차 - 대지간
ㅇ 1차 - 2차간 또는 3차간
(3) 절연내력시험 : 사용 개시 전
ㅇ 주회로 모선과 함께 일괄 실시
ㅇ 2차, 3차회로의 단자에서 일괄 접지하여 실시
(4) 극성시험
ㅇ 우선 명판과 단자기호를 확인하고
ㅇ PT는 직류전압계 킥법으로 실시
ㅇ CT는 직류전류계 킥법으로 실시
(5) 2차회로 종합시험
: 수전 직전에 실시하는 전압회로의 종합시험
ㅇ 2차회로 도통시험
- 벨 데스터를 이용하여 2차회로 각상의 배선마다 단자, 계전기, 계기 등에 대한 도통상태를 점검
- 특히 접지상에 대해 확인 점검하고, 접지상과 2차회로가 개방되지 않도록 유의하여 점검할 것
ㅇ 저전압 시수전 시험
- 정격전압의 수%인 저압으로 주회로의 1차 모선을 충전하 고, 이 상태에서 주회로/변압기/PT회로의 전압관련 종합시 험을 실시
ㅇ저전류 시수전 시험
- 변압기의 %Z를 이용하여 적당한 3φ단락전류를 수전회로 모선에 통하여 주회로 전류 모선 및 CT 2차 회로를 실측 하여 종합시험을 실시
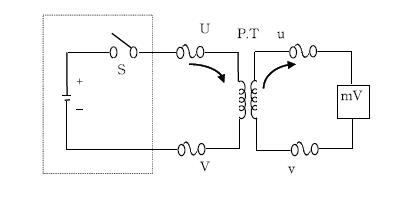
나. 극성시험
(1) 계기용변압기(PT)의 극성시험 : 건전지, 직류전압계 킥법
PT 2차권선의 u(+) 및 v(-) 단자에 직류 mV 전압계를 접속하 고, PT 1차측에서 U(+) 및 V(-)단자에 건전지(직류1.5V 또는 3V정도)의 전압을 개폐스위치 S로 ON→OFF 한다.
이때, S→ON에 의하여 정방향, S→OFF에 의하여 역방향으로 전압계 지침이 순간적으로 지시하면 양호(감극성)하다.
또한 2차 배선을 포함하여 실시하는 경우에는 배선 말단에 mV 전압계를 장착하여 확인하며, 3상 PT의 경우 단상분씩 나누어 실시한다.
![]() |
| 계기용변압기(PT)의 극성시험 방법 |
(2) 계기용변류기(CT)의 극성시험 : 건전지. 직류전류계 킥법
CT 2차권선의 k(+) 및 l(-) 단자에 직류 mA 전류계를 접속하 고, CT 1차측에서 K(+) 및 L(-)단자에 건전지(직류1.5V 또는 3V정도)의 전압을 개폐 스위치 S로 ON→OFF 한다.
이때, S→ON에 의하여 정방향, S→OFF에 의하여 역방향으로 전류계 지침이 순간적으로 지시하면 양호(감극성)하다.
또한 2차 배선을 포함하여 실시하는 경우에는 배선 말단에 mA 전류계를 장착하여 확인한다.
![]() |
| 계기용변류기(CT)의 극성시험 방법 |
(3) 2차 회로 종합시험
처음 수전하는 경우 시수준시험 단계에서 PT 2차회로 점검 및 측정, 보조기기 시운전 단계에서 CT 2차회로 점검 및 측정 등 현지시험을 통해 변성기와 연계된 계기나 계전기등의 정상동작 여부를 반드시 확인하여야 한다. 만일 현지시험에서 충분한 점 검과 정확한 시험이 이루어지지 않을 경우, 정규 수전실부하에 의한 실측 시험에서 이상 발생으로 PT 퓨즈의 단절과 2차회로 단락시의 소손, CT 2차회로 개방시 CT의 소손 및 계전기 오동 작 트립 등의 사고 발생으로 이어지게 된다.
(가) 저전압 시수전 시험
전기설비 공사가 완료되고 수전직전에 실시하는 전압회로의 종합시험으로서, 정격전압의 수%인 저압으로 주회로의 1차 모 선을 충전하고 이 상태에서 주회로/ 변압기/ PT회로의 전압관 련 종합시험을 실시한다.
① 저전압 시수전 시험의 목적
최초 수전전에 정격전압의 3-5%정도의 저전압으로 시수전 하여 주모선 회로, PT 및 2차회로를 포함한 배선, 계전기, 계기 등의 전압측정, 상별 상회전, 검상 등의 종합 확인시험 을 안전하고 정확하게 실시할 수 있다.
② 저전압 시수전 시험방법과 절차
ㅇ 저전압 시수전 시험전압
저전압 시수전용 전원은 공사용 및 기타 일반적으로 3φ 200V의 교류를 사용한다. 가능하면 비접지식 전로를 이용 하고 또한 3φ 유도전압 조정기를 사용하면 편리하다.
ㅇ 저전압 시수전 시험
- 저전압 시수전을 하여 6,600V 주모선 회로(시험 200V)의 전압, 상회전, 검상시험을 실시하고, 모선접속 및 극성 등 을 직접 확인한다.
- PT 2차회로의 상간, 선간, 대지간 등의 각 전압을 측정 하여 PT의 변압비, 극성, 접속을 점검하고 2차회로의 배 선, 계기, 계전기의 각 전압, 상별 극성의 측정을 확인한다.
- 주회로 모선 → PT → 2차 회로의 계기, 계전기 순으로
종합 확인 시험을 실시한다.
(나) 저전류 시수전 시험
전기설비 공사가 완료되고 수전 직전에 실시하는 전압회로의 종합시험으로서, 변압기의 %Z를 이용하여 적당한 3φ단락전류 를 수전회로 모선에 통하여 주회로 전류 모선 및 CT 2차회로 를 포함한 종합 확인 시험을 안전하고 정확하게 실측하는 것 이다.
① 저전류 시수전 시험전압
저전류 시수전용 전원은 공사용 및 기타 일반적으로 3φ200V 의 교류를 사용하여 적당한 3φ 단락전류(모선단말 3φ단락)를 흘리도록 한다.
단, 발전기나 전동기 등의 회전기에는 단락전류가 흐르지 않 도록 유의 하여야 한다.

② 저전류 시수전 시험
ㅇ 저전류 수전(3φ단락전류)을 하고 6,600V 주모선 회로, CT 2차회로 전류를 측정한다.
ㅇ 주모선 회로의 전압강하를 측정하고 접속개소, 개폐장치의 접속상태를 점검한다.
ㅇ CT 2차회로의 각 상마다 미리 산정한 CT 2차 전류와 비 교하여 순차로 측정한다.
즉, CT 2차 → 배전반(T.T) → 계전기 → 계기의 순으로 측 정하고 계산값과 비교하여 종합 확인시험을 실시한다.
'전기,철도 기술자료 > 전기이론' 카테고리의 다른 글
| 공냉식 정류기 접지 계전기 동작전압 측정 (0) | 2025.11.03 |
|---|---|
| 측정기 사용방법 (0) | 2025.11.03 |
| 보호계전기 (1) | 2025.10.31 |
| 계기용변압기 (1) | 2025.10.31 |
| 계기용변류기 (0) | 2025.10.31 |

