임피던스 본드(430A용)
Impedance Bond(430A Type)
1. 적용범위
이 규격은 고전압 임펄스 궤도회장치의 궤도회로간 경계점에 설치하여 신호전류와 430 A 이상의 전차선 귀선전류를 구분시키기 위해 사용되는 임피던스 본드(이하 “본드”라 한다)에 대하여 적용한다.
2. 적용자료
KS C IEC 60404-8-4 자성재료-제8-4부: 개별 재료의 규격-완제품 상태의 냉간 압연된 무방향성 전기 강판과 강대
KS D 5201 구리 및 구리합금 판 및 띠
KS D 6008 알루미늄 합금 주물
KS D 2351 아연 잉곳
KS M ISO 1874-1 플라스틱-폴리아미드(PA)성형 및 압출 재료 -제1부:호칭 체계 및 시방의 기본
KS M ISO 7391-1 플라스틱-폴리카보네이트(PC) 성형 및 압출재료-제1부:호칭 체계 및 시방의 기본
KS M ISO 7391-2 플라스틱-폴리카보네이트(PC) 성형 및 압출재료-제2부:시험편 제작 및 물성 측정
KRS SG 0031 고전압 임펄스 궤도회로장치
KS R 9189 철도신호 보안 부품-방수시험 방법
KS R 9186 철도신호 보안부품-진동시험 방법
KS C IEC 60068-2-14 환경 시험–제2-14부: 시험-N: 온도변화
SPS-KFCA-D4302-5016 구상 흑연 주철품
3. 필요조건
3.1 재료
1) 철심은 KS C IEC 60404-8-4의 M470-50A5 또는 동등 이상의 것을 사용하여야 한다.
2) 코일은 KS D 5201의 C1100 또는 동등 이상의 것을 사용하여야 한다.
3) 덮개는 KS D 6008의 AC1A 또는 KS M ISO 7391의 폴리카보네이트(PC) 또는 동등 이상의 것을 사용하여야 한다.
4) 외함은 SPS-KFCA-D4302-5016의 GCD-400에 표면을 KS D 2351의 4종에 의한 용융아연도금을 한 것 또는 KS M ISO 7391-1의 폴리카보네이트(PC) 또는 동등 이상의 것을 사용하여야 한다.
5) 보빈은 KS M ISO 1874-1의 PA6-6 또는 동등 이상의 것을 사용하여야 한다.
6) 부스바는 KS D 5201의 C1100 또는 동등 이상의 것을 사용하여야 한다.
7) 기타의 재료는 제작도면에 의하며, 도면에 표시되지 않은 재료는 KS품, 국제적으로 통용되는 국제규격이나 단체규격(CENELEC, UL 등) 또는 동등 이상의 것을 사용하여야 한다.
3.2 형태
형태 및 치수는 제작도면 및 승인도면에 의한다.
3.3 제조 및 가공
1) 부식되기 쉬운 부분에는 도금 기타의 방법에 의하여 부식을 방지하도록 하고 기기에 사용되는 볼트 및 너트는 스테인리스의 재질을 사용하여야 한다.
2) 외함과 덮개 사이에는 빗물이나 기타의 오물이 침입할 수 없도록 패킹을 부착할 수 있는 구조로 제작 가공하여야 한다.
3) 외함에 인입출되는 전원선은 케이블그랜드, 부스바는 폴리부탈렌텔레프탈레이트 몰딩 등의 구조로 하여 방수가 되어야 한다.
4) 접속 부분은 납땜을 완전히 하여 접속 불량, 산화 등에 떨어지지 않도록 하여야 한다.
5) 이완되기 쉬운 부분에는 스프링 와셔 및 이중너트 등을 사용하여 이완을 방지하여야 한다.
6) 인출 단자는 간단하게 접속할 수 있도록 하고 접속불량이 발생되지 않도록 견고히 제작하여야 한다.
7) 열차 및 기타 외부 진동에 의하여 임피던스 본드 내부의 기기 조립 부분 및 기타 접속 부분이 탈락되거나 접속불량이 발생되지 않도록 하여야 한다.
8) 코일에는 코일의 층간 절연을 하여야 한다.
9) 코일은 충분히 건조한 후 니스에 진공함침 처리를 하여야 한다.
10) 풀리기 쉬운 볼트 및 너트에 대하여는 스프링와셔 등을 사용하여 이완되지 않도록 하여야 한다.
11) 접속 금구 및 단자와 접속되는 부분에는 기계적 전기적으로 완전하여야 한다.
3.4 성능
3.4.1 임피던스 본드는 KRS SG 0031에 적합하게 사용할 수 있어야 한다.
3.4.2 임피던스 본드에 흐르는 전차선 귀선 전류의 허용범위는 평상시 430 A 이상, 피크 시 800 A 이상을 흘릴 수 있어야 한다.
3.4.3 본드는 주위온도 –25 ℃ ~ +70 ℃ 범위에서 성능에 영향을 받지 않고 사용할 수 있어야 한다.
4. 검사와 시험 및 품질 보장
4.1 검사
4.1.1 검사의 종류
1) 겉모양검사
균열, 유해한 홈, 기타의 결함이 없이 미려하고 견고하여야 한다.
2) 구조검사
모체와 부품간의 조립상태 등을 검사한다.
3) 치수검사
제작도면 및 승인도면에 의한다.
4.2 시험
4.2.1 시험의 분류
4.2.1.1 성능시험
1) 절연저항시험
2) 내전압시험
3) 극성시험
4) 저항시험
5) 임피던스시험
6) 단락시험
7) 내구성시험
8) 불평형율시험
9) 권수비시험
4.2.1.2 환경시험
1) 온도상승시험
2) 극한온도에서의 내구성시험
3) 온도급상승시험
4) 방수시험
5) 진동시험
6) 습도시험
7) 염분시험
4.2.2 시험방법
4.2.2.1 성능시험
1) 절연저항시험
도체 부분인 외함과 1차 코일 또는 2차 코일, 그리고 1차 및 2차 코일 단자간에 각각 DC 500 V를 가하여 절연저항 값이 200 ㏁ 이상이어야 한다.
2) 내전압시험
표 1과 같이 본드의 각 부분에 60 Hz의 상용전원을 1분 이상 인가 시 이상이 없어야 한다.
[표 1] 내전압 시험
| 인가 부분 | 인가 전압 | 시험 조건 |
| 1차 코일과 접지사이 | 3 kV | -온도상승시험 직후 뜨거운 상태에서 이 시험을 다시 하여야 한다. - 60 Hz, 10 mA 전류의 조건으로 시행 |
| 2차 코일과 접지사이 | 3.5 kV | |
| 1차 및 2차 코일사이 | 3.5 kV |
3) 극성시험
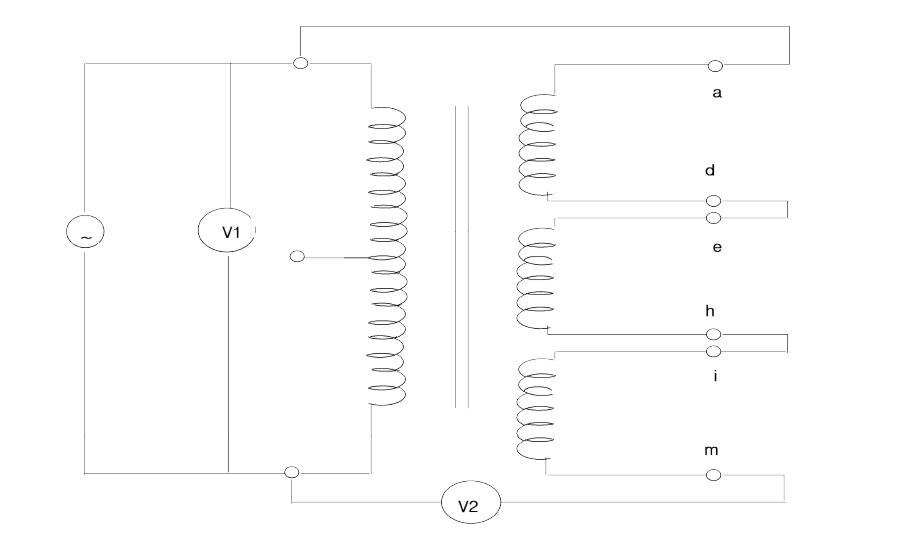
극성은 감극성이어야 하며, 그림 1과 같이 나타낸 회로에 1차 측에 7 V, 60 Hz의 교류전압 V1 을 인가하여 2차 측 V2 전압이 (67.5 ±3 %) V로 됨을 확인한다.
| [그림 1] 극성시험 |
![]() |
4) 저항시험(1차코일)
그림 2와 같이 나타낸 시험회로에 직류전류를 흐르게 하고, 이때의 전압과 전류를 측정하여 다음 ①식으로 구하여 2 mΩ 이하이어야 하며, 반권선의 저항은 서로간에 5 % 이내로 같아야 한다.
R= V/I-----①
여기서 R : 코일저항(mΩ)
V : 1차 코일사이의 전압(V)
I : 1차 코일전류(A)
| [그림 2] 저항시험 |
![]() |
5) 임피던스 시험(1차코일)
그림 3과 같이 나타낸 시험회로의 1차 코일에 5 V, 60 Hz의 전압을 인가 시 2.5 Ω이상, 10 V, 60 Hz의 전압을 인가 시에는 (3.3 ±7.5 %) Ω의 임피던스의 값을 가져야 한다.
| [그림 3] 임피던스시험 |
![]() |
6) 단락시험
그림4와 같이 접속하여 중앙 단자를 통해 1차 측의 반 권선에 300 A의 전류를 통할 때 반 권선의 양 극 사이의 전압은 0.9 V 이하이어야 한다. 이때 양끝을 단락시켜야 한다.
| [그림 4] 단락시험 |
![]() |
7) 내구성 시험
1분 동안 800 A의 전류를 흘려보낼 때 어떠한 변형도 없어야 한다.
8) 불평형율 시험
불평형율 시험은 1차 코일을 중성점에서 분리하여 2개로 나누고, 그림 5와 같이 나타낸 회로에서 60 Hz, 5 A의 전류를 흐르게 하고, 이때의 2차 코일의 유기전압 V12, V22를 측정하여 2차 코일의 불평형률을 식에 따라 구하며, 그 값은 0.2 % 이하이어야 한다.
V12
불평형율 (%) = ---------- × 100
V22
| [그림 5] 불평형률 시험 |
![]() |
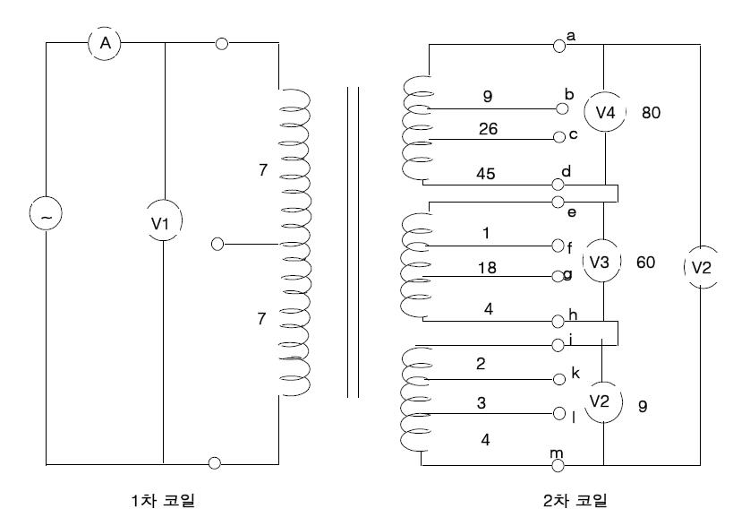
9) 권수비 시험
가) 권수비 시험은 그림 6의 회로와 같이 구성하고 1차 코일에 60 Hz, 14 V를 가하여 무부하 2차 코일전압을 측정하여 1차와 2차 코일 사이의 권수비를 다음 ②식으로 계산한다. 2차 코일의 각 단자간의 표준전압은 표 2와 같으며 허용범위는 3% 이내 이어야 한다.
V1
N12 = ----- ―――――――― ②
V2
N12 : 1차와 2차 코일사이의 권수비
V1 : 1차 코일 전압
V2 : 2차 코일 전압
[표 2] 본드의 각 단자간 전압
| 단자 | ab | bc | cd | ad | ef | fg | gh | eh | ik | kl | lm | im | V1 | V2 | |
| 표준전압(V) | 9 | 26 | 45 | 80 | 1 | 18 | 41 | 60 | 2 | 3 | 4 | 9 | 14 | 149 | |
| [그림 6] 권수비 시험 |
![]() |
4.2.2.2 환경시험
1) 온도상승시험
KS C 0225의 시험방법에 의하여 1차 코일에 300A를 흘릴 때 코일의 저항을 측정하여 다음 식으로 계산하며 1차 측의 온도가 60 ℃ 이하이어야 한다.
△TN=( RW-RA/RA )(TA+ 1/α 0 )
ΔTN : 온도
RW : 온도 상승 상태에서의 코일 저항
RA : 상온에서의 코일 저항
TA : 상온
α0 : 비저항에 따른 온도 계수
2) 극한온도에서의 내구성시험
다음과 같은 절차에 의하여 시험한다.
![]() |
① : (70 ±2) ℃
② : (-25 ±2) ℃
③ : 상온 +18 ℃ ~ +25 ℃
④ : 정상조건(430 A, 60 Hz)으로 12시간 전류를 흘려 시험하며 6시간 마다 4.2.2.1항의 4),6),7) 및 4.2.2.2항의 1)번을 측정한다.
⑤ : 정상조건으로 12시간 동안 측정 없이 전류를 흘린다.
⑥ : 정상 조건하에서 12시간동안 전류를 흘린 후 4.2.2항의 4), 6), 7)번 및 4.2.2.2항의 1)번을 측정한다.
⑦ : 정상조건하에서 12 간 동안 측정 없이 전류를 흘린다.
⑧ : 정상 조건하에서 12시간 동안 전류를 흘린 후 4.2.2항의 4),6),7)번 환경시험의 1)번을 측정 한다.
⑨ : 정상 조건하에서 12시간동안 측정 없이 전류를 흘린다.
⑩ : 정상 조건하에서 12시간동안 전류를 흘린 후 1번 4.2.2항의 4),6),7)번 환경시험의 1)번을 측정한다.
3) 온도급상승시험
이 시험은 아래 순서에 의해 60 Hz 430 A로 전류를 흘렸을 때 본드의 성능 및 기능에 이상이 없어야 한다.
![]() |
4) 방수시험
KS R 9189의 침수시험(기호D)에 준한 시험을 실시하여 물이 침입되지 않아야 한다.
5) 진동시험
430 A 60 Hz의 전류를 통전한 상태로 KS R 9186의 제2종에 준한 시험을 실시하여 이상이 없어야 한다.
6) 습도시험
이 시험은 전압을 가하지 않은 상태에서 항온항습기에 본드를 설치하여 다음 순서로 실시한다.
① 온도 (55 ±2) ℃, 습도 90% 허용오차 ±3 %의 조건으로 (12 ±0.5)시간 (상승 및 하강 시간 포함) 실시한다.
② 온도 (25 ±2) ℃, 습도 80 % 이상으로 24시간동안 계속 유지한 후 본드를 꺼내어 외관을 확인하고 성능시험을 다시 실시하여 이상이 없어야 한다.
7) 염분시험
염화나트륨(NaCl)의 농도 5 %, pH 7, 항온항습기에 온도 35 ℃, 공기압 0.9 bar 조건으로 96 시간 동안 실시하며, 제품을 매 24시간마다 항온항습기에서 꺼내어 육안으로 확인한 후 성능시험을 다시 실시하여 이상이 없어야 한다.
4.3 검사 및 시험의 수준
4.3.1 검사수준
1) 겉모양 및 구조 검사
제품 전량에 대하여 육안검사를 시행한다.
2) 치수검사
치수 검사는 1회 납품분의 5 % 이상 발췌 검사한다.
4.3.2 시험
1) 성능시험
제품 전량에 대해 시행한다.
2) 환경시험
1회 납품분을 1로트로 하여 로트 당 1대를 발췌 시험한다. 환경시험을 시행한 본드는 납품할 수 없으며, 1회 발주량이 20대 미만일 때 동일 계약자인 경우는 당해년도에 한하여 전회에 납품한 시험성적서로 가름할 수 있다.
4.4 합격 품질 수준
본 물품검사시 공인기관에 의뢰한 시험항목을 제외하고는 계약자가 시험설비를 갖추어 검사를 받아야 하며, 본 규격 각 항에 적합할 경우에 합격으로 한다.
5. 표시
가. 내부표시 : 제품의 사용상 지장이 없는 곳에 쉽게 지워지지 않는 방법으로 품명, 제작년월, 제작자명 또는 그 약호, 제품의 일련번호를 표시하여야 한다.
나. 외부표시 : 외부 포장 표면의 적당한 곳에 품명, 제작년월, 제작자명 또는 그 약호, 수량을 표시하여야 한다.
다. 기타 필요한 추가사항은 인수․인도 당사자 간의 협정에 따라 별도로 정할 수 있다.
한국철도표준규격 KRS SG 0037 - 22 (R)
'전기,철도 기술자료 > 철도상식' 카테고리의 다른 글
| 낙석 및 차량낙하 지장물검지장치 (1) | 2026.04.07 |
|---|---|
| 교량침목 좌굴방지 장치 (0) | 2026.03.27 |
| 노스가동분기기 (0) | 2026.03.24 |
| 바이어스 선조 계전기 Bias Line Relay (1) | 2026.03.16 |
| PSD 무정전전원장치 (1) | 2026.03.16 |








